SM3-Threaded Adapter for 60 mm Cage Systems

- Adapts SM3 Lens Tubes to 60 mm Cage Systems
- External M95 x 1.0 Threads on One End
SM3A95
Adapter with External M95 x 1.0 Threads and Internal SM3 Threads
Compatible with 60 mm Cage Systems
Application Idea
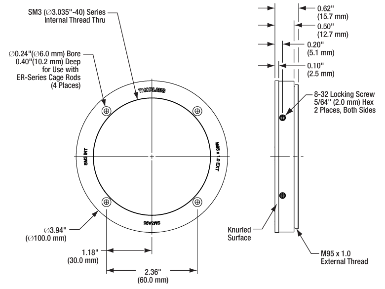
This adapter has bores for 60 mm cage rods on one side and internal SM3 threading through the entire length.

Please Wait

Click for Details
Figure 1.1 SM3A95 Mechanical Drawing
Features
- 60 mm Cage System Compatible
- Internally SM3-Threaded for Use with SM3 Lens Tubes
- Externally M95 x 1.0 Threaded
Our SM3A95 adapter has internal SM3 (3.035"-40) threading through the entire length and external M95 x 1.0 threading on one side. It is also compatible with 60 mm cage systems. Please note that SM3 lens tubes do not fit between the rods in 60 mm cage systems.
| Posted Comments: | |
| No Comments Posted |
Products Home





SM3-Threaded Adapter for 60 mm Cage Systems